һ{(dio)ˮϵy(tng)
{(dio)ˮϵy(tng)sˮϵy(tng)sˮsyTȣˮϵy(tng)ˮáĩˡyTÛˮȣˮϵy(tng)


{(dio)ˮϵy(tng)
1ýˮϵy(tng){(dio)ˮϵy(tng)
2sˮϵy(tng)
3ˮϵy(tng)


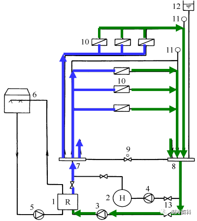
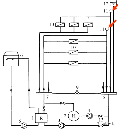
1-ˮˮC(j)M 2-偠t 3-ˮ 4-ˮ 5-sˮ 6-s 7-ˮ8-ˮ 9-y 10-{(dio)O(sh) 11-ԄŚy 12-Ûˮ 13-yT
ļr DʾˮC(j)M1Ƴ7ˮˮ3ˮ7Ȼɷˮͨ^ˮ֧ܷքe{(dio)g^(q){(dio)O(sh)10


{(dio)O(sh)Уˮc՚⽛(jng)Qˮ12ַքeɸˮ֧ˮ8ˮC(j)M1ٱ̎7˷(f)ѭh(hun)
ůr 偠t2Ƴ60ˮˮ4ˮ7Ȼļˮ·ѭh(hun)偠t2±ӟ̎
ļͶůD(zhun)Qͨ^ˮC(j)M偠tM(jn)ˮϵyT](sh)F(xin)Dʾ


DÛˮ12ҪռˮӟrweÛˮֹϵy(tng)p©ˮ⣬Ûˮ߀a(b)ˮͶ


ˮϵy(tng)йܵĸ̎eۿ՚⡣(dng)ܵ(ni)п՚rγ^“”ӰˮDԄŚy11ǞSrųϵy(tng)(ni)Ŀ՚O(sh)õ
ˮϵy(tng)O(sh)yT
ˮϵy(tng)߀ҪO(sh)±Ҫxb
{(dio)ˮϵy(tng)ʽ
{(dio)ˮϵy(tng)ĹݔԝM{(dio)O(sh)̎՚Ҫ{(dio)ˮϵy(tng)ʽڷʽһӣкܶҊУ
]ʽϵy(tng)_ʽϵy(tng)
ɹϵy(tng)ϵy(tng)Ĺϵy(tng)
ͬʽϵy(tng)ͮʽϵy(tng)
ﶨϵy(tng)׃ϵy(tng)
һαϵy(tng)αϵy(tng)ͻʽϵy(tng)
(lin)C(j)ʲôl@Ӹ
Դٿ
֙(qun)Ո(lin)ϵh

