S҇ĸߌӽ֘ǡꡢe^{(dio)ʹҲӣSBLC̎_h(hun)24hBm(x)\D(zhun)B(ti)LĴСHͨ^LM{(dio)(ji)L(q)늙CĿͨϰٵװǧߣʹ{(dio)Lϵy(tng)^BĽ(jng)IÿҪM~Ŀ{(dio)MڬF(xin)еĻA(ch)όLϵy(tng)Mй(ji)ܸʹϵy(tng)ܸ(j)ҪMLLЧ(ji)sԴpM
1{(dio)Lϵy(tng)(ji)ܝ
ij;ƵƵͷסļ׃ÿղͬĕrg{(dio)ϵy(tng)LҪҲͬ˴ڹ(ji)ܸĿԺͿɏׂ}
1.1
{(dio)ϵy(tng)Ĺԭ
D1ʾijƵ{(dio)ʾD՚ĻLںLM{(dio)ϵy(tng)̎O(sh){(dio)LTԿMLĴС^VĿ՚^m(x)ǰ՚ͨ^LCȥӝӝĿ՚ȥsӜأS(ji)(jng)ˮȻM՚ٵLܣM{(dio)
D 1ʽ{(dio)ϵy(tng)ʾ
Lһ_LCͬrLҕҪ(yng)ԓǿ{(dio)ġֻܲLɹ(ji)ʡLr՚
1.2LCD(zhun)L֮ܺgP(gun)ϵ
LCSݔ빦PcLݔQ͓PH֮gP(gun)ϵ[2]
P = kQH1
ʽ k 鳣(sh)ʽ1f늙Cݔʺ(q)ӵLCL QP H LCD(zhun)n ׃rLCݔL Ql(f)׃֮gP(gun)ϵ
Q2/Q1=n2/n1 2
LCD(zhun)ٺͳLȡLCݔ P D(zhun)n P(gun)ϵ
P2/ P1=n2/n13 3
ʽ123ҊpLͨ^LCD(zhun)ٌF(xin)LCD(zhun)ٌؽܺ(ji)Ч@
2(ji)Lϵy(tng)
{(dio)(ji)ܸϵy(tng)Ҫ]LC\пƷʽ(yng)ʹÿ_LC\ЕrgM(yng)ЧO(sh)Ӌrܿ]NrһĿɔ_(yng)׃
2.1LCĿƷ

D 2LCгʾ
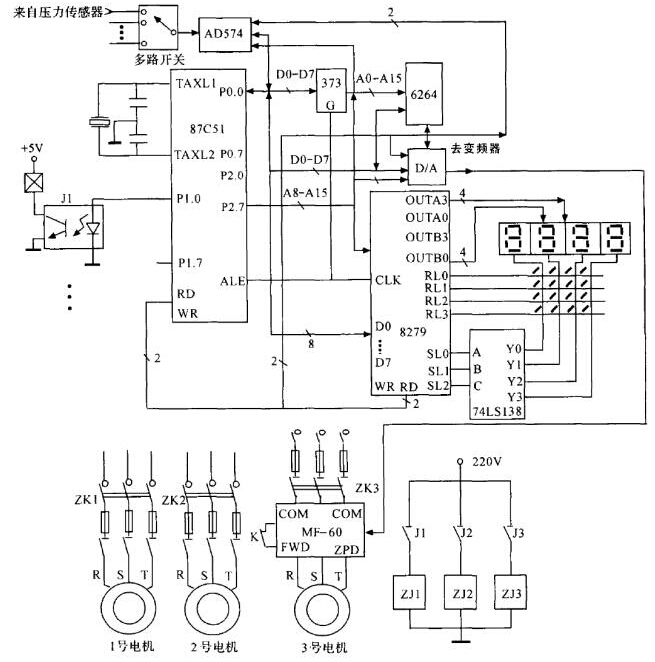
ҪpLĕrЧķǸ׃LCD(zhun)LCD(zhun)ٿͨ^׃늙CD(zhun)ٌF(xin)ཻ늄әCʹ׃lЧظ׃늙CD(zhun)ö_LCMɵLϵy(tng)@ 3_MD 2 ʾķ팍ʩL{(dio)(ji)3_늙CĿʑ(yng)ڵLݔ빦3_늙CУֻ3_ʩ׃l{(dio) 12_Թlʽ\D(zhun)@ӼȿԜp׃lɱܺܺõL{(dio)(ji)ĿLϵy(tng)^£СؓҪC1_늙Clʽ\D(zhun)ԱCСLҪLӕrɰ·ʽ׃\РB(ti)1̖C\L㣬3̖CͶ밴׃lʽ\D(zhun)_LҪLȻ2̖CͶ\3̖C׃lʽ\D(zhun)׃3̖CD(zhun)_ҪLҪLpٵ^O(sh)3_LCͬr\D(zhun)Ƚ3̖CĹlʵֵLȻ^г12̖CȽ1_3̖C׃lʽ\D(zhun)LȻ^3̖CD(zhun)ֱг3̖C
2.2]h(hun)LC׃lϵy(tng)Ę(gu)
Ҫ(gu)]h(hun)ϵy(tng)ҪڳLڰLԱCLк㶨LyõLrfL(q)^˕r(yng)L(q)yõL͕rf˕rL(q)ҪӴL(q)zyL̖ͽoֵMб^Դ_L{(dio)(ji)]h(hun)LC׃lϵy(tng)ĿDD3ʾݔBm(x){(dio)ģM̖{(dio)(ji)׃lĹl֮߀Ҫݔ_P(gun)Դ_123̖늙CĽcг

D 3LC׃lƽY(ji)(gu)ʾ
2.3O(sh)Ӌ
ҪF(xin)LĿʹLֻ㶨@ÆƬC·(gu)D4ʾÔ(sh)a@ʾLĽoIPݔҲλ(jng)A/ DD(zhun)Qݔ롣ڹ܌F(xin)Bm(x)Ҳ܌F(xin)ּBm(x)wͨ^ƌF(xin)

D 4늙C·
3Y(ji)Փ
{(dio)Lϵy(tng)׃l]h(hun)ƺ\з(wn)(ji)Ч@mȻԭеϵy(tng)׃lֻ_LC׃lҪ׃lһHڎʮǧÆƬC·DzҪԭϵy(tng)ٸ׃{(dio)ϵy(tng)Ͷ벢ϵy(tng)Ľ(jng)Ч@
һƪ
{(dio)ϵy(tng)Ĺ(ji)܃(yu)c
һƪ
{(dio)(ji)ܳɞ鹫(ji)c췽